Search by Model Number

Search by Part Number

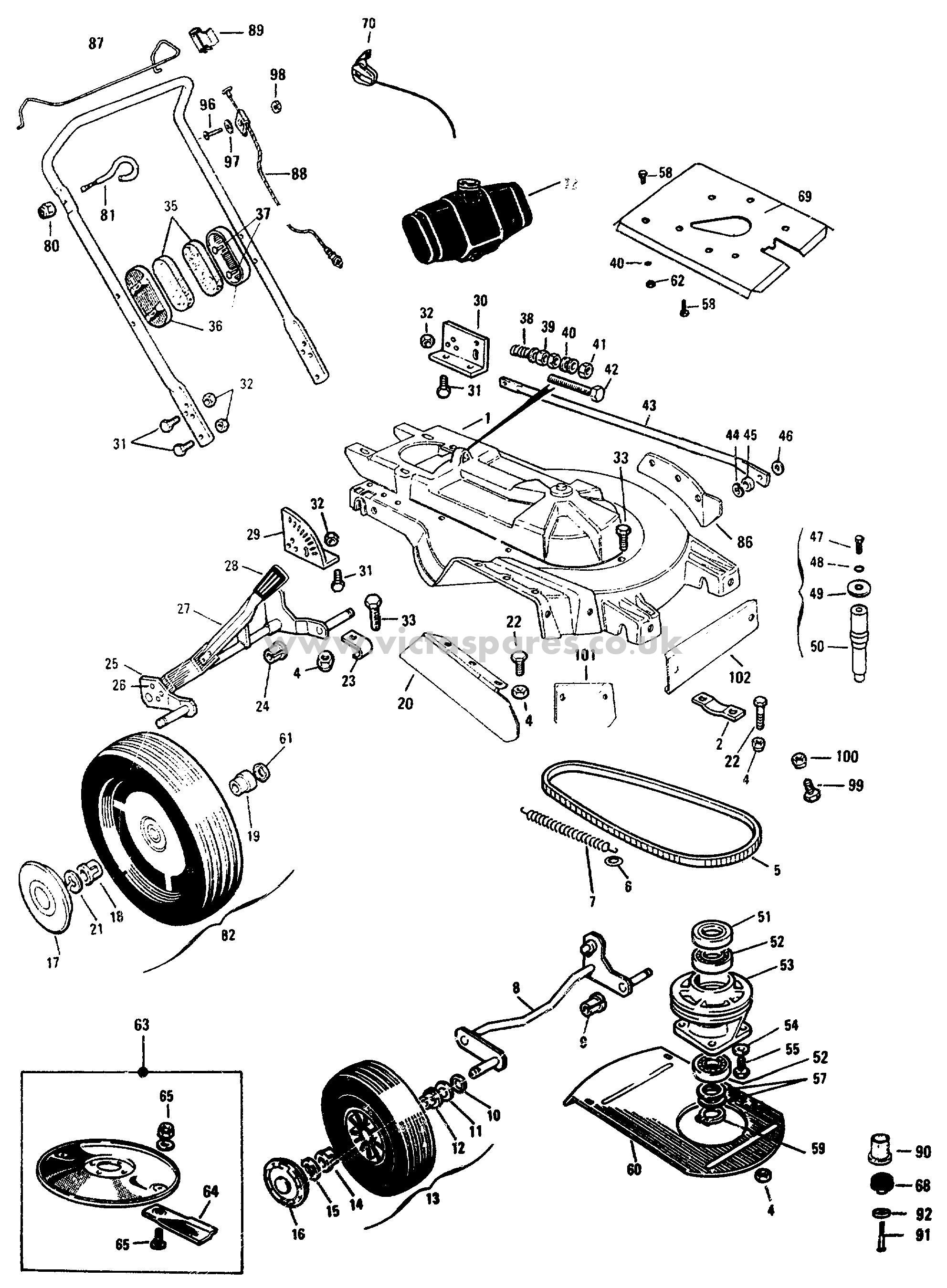
FG406_27700 - AP065EU94 PROF 600 UTE 4ST ULTIMA ENGINE ASSY VU40006A

Assembly drawing

Please use your mouse to zoom in and out for more detailed view

FG406_27700

Parts list

Match the number with the image on the left and click "Add" button to add the item to your basket

Please note, that the prices are for individual items

Items might appear more than once on the drawing, please check and adjust the quantity you require.

Ref No Description Price
001 CH86019N BASEPLATE RED £491.42 Add
002 CH85129D CLAMP (RED) £6.94 Add
004 HA24844D NUT £6.56 Add
005 CH82248A BELT £143.54 Add
006 HA25193D PUSH-ON-FIX (RED) £6.56 Add
007 CH84933A SPRING £51.48 Add
008 CH82214D FRONT AXLE (RED) £188.85 Add
009 CH82212A BUSH £7.61 Add
010 CH82917A KNOB £11.56 Add
011 CH84861A BUSH £5.47 Add
012 CH85136U NO LONGER AVAILABLE N/A POA
013 CH87082G WHEEL £59.31 Add
014 CH83687A BUSH £5.47 Add
015 CH86344D HEIGHT ADJUSTER £55.21 Add
016 CH85943A SPRING £17.76 Add
017 CH82228V HUB CAP £5.88 Add
018 CH82225A BUSH (RED) £6.94 Add
019 CH82448A BUSH (RED) £6.94 Add
020 CH85920G WINDROWER (RED) £91.25 Add
021 CH82227D CIRCLIP £6.94 Add
022 HA21079D SCREW (RED) £6.56 Add
023 CH83455B CLAMP (RED) £32.77 Add
024 CH83432A BUSH (RED) £6.94 Add
025 CH84931A REAR AXLE £374.82 Add
026 CH82469B RIVET (RED) £6.94 Add
027 CH82208A HANDLE £72.53 Add
028 CH82904B NO LONGER AVAILABLE N/A POA
029 CH82236G RH HANDLE BRACKET (RED) £88.22 Add
030 CH82235G BRACKET L/H £88.22 Add
031 HA21107D BOLT £6.56 Add
032 EN72770B SLEEVE PULLEY £111.23 Add
033 CH84860A SAFETY SKIRT £100.64 Add
034 CH86025G HANDLE UPPER S600 BRAKE BLACK £283.25 Add
035 EN71031A PAD (RED) £17.10 Add
036 EN71030G SUPPORT £33.68 Add
037 CH83835D SADDLE £7.85 Add
038 CH85939A SPRING (RED) £14.08 Add
039 HA24981D NUT £6.32 Add
040 HA22141D NO LONGER AVAILABLE N/A POA
041 HA24977D NUT £1.77 Add
042 HA20326D SCREW (RED) £19.48 Add
043 CH85176G CONNECTING LINK £54.96 Add
044 EN72620B NO LONGER AVAILABLE N/A POA
045 CH82541A BUSH (RED) £37.30 Add
046 HA22192A WASHER £3.18 Add
047 HA21193A SCREW N/A POA
048 HA23167D WASHER £2.93 Add
049 CH83748G WASHER N/A POA
050 CH83749A SHAFT £268.10 Add
051 CH82244A DUST SEAL £66.28 Add
052 HA25266A BEARING £107.77 Add
053 CH82243A PULLEY £395.98 Add
054 HA25776B WASHER £2.92 Add
055 HA21131D BOLT £6.94 Add
057 CH82590A SHIM (0.010 INCH) £17.28 Add
059 CH82247A CIRCLIP £6.94 Add
060 CH82241A COVER £92.60 Add
061 CH82226A DUST SEAL (RED) £37.84 Add
062 HA24993D NYLOC NUT N/A POA
063 CA09421A BLADE HOLDER ASSY. CA09270A £108.33 Add
064 CA09276B KIT-BLADE & BOLT 560 & S600 (OBSOLETE) N/A POA
065 EN73054B BLADE DISC WASHER (4.5) (OBSOLETE) N/A POA
068 EN72980A DRIVE PULLEY £139.64 Add
069 CH85854G MOUNTING PLATE ASSY 4ST £274.98 Add
070 TC04426AZ THROTTLE CONTROL ASSY-1180MM £68.47 Add
072 EN72970A FUEL TANK ASSY £196.68 Add
077 HA20421D SCREW (RED) £5.90 Add
078 HA22274D WASHER (RED) £3.77 Add
079 HA24742D NUT (RED) £6.56 Add
079 HA24742D NUT (RED) £6.56 Add
080 HA24996D NUT (RED) £5.90 Add
081 CH86177D ZONE START BRACKET £45.70 Add
082 CH84384A 12 INCH WHEEL ASSY (RED) £273.86 Add
083 CH85820N NOSE £88.15 Add
084 CH85979N GUARD R/H £102.78 Add
085 CH85939A SPRING (RED) £14.08 Add
086 CH85980N GUARD L/H £99.91 Add
087 EB68017G BRAKE BAIL (RED) £63.47 Add
088 EB68033A NO LONGER AVAILABLE N/A POA
089 EB68039G NO LONGER AVAILABLE N/A POA
090 EE14524A SLEEVE 4ST £76.81 Add
091 CH80854G SADDLE PLATE £10.11 Add
092 EE14537B WASHER 4STBLADE DISC £17.83 Add
093 HA20412D SCREW £3.66 Add
094 CH85979N GUARD R/H £102.78 Add
095 CH85980N GUARD L/H £99.91 Add
096 HA20421D SCREW (RED) £5.90 Add
096 HA20413D SCREW N/A POA
097 HA22274D WASHER (RED) £3.77 Add
098 HA24847D NUT (RED) £9.77 Add
099 HA21314D SCREW £11.70 Add
100 HA24844D NUT £6.56 Add
101 CH85979N GUARD R/H £102.78 Add
102 CH85820N NOSE £88.15 Add